Company
About SeCoS
Agency
Quality
Partners
ESG
Products
Product Search
New Product
Automotive Qualified
Package Dimension
Thermal Solution
News
Event News
Product Change Notifications
Product EOL
EN
/
CH
Home
>
Products
>
Package Dimension
Package Dimension
1 Record
Package Name
Mount Type
ALL
SMD
PTH
Numbers of Leads
Leads
";
3
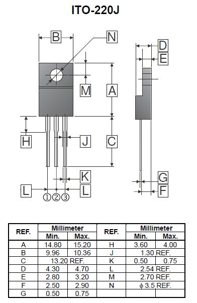
Dimension
Unit:Milimeter(mm)
ITO-220J
PTH
3
Copyright © 1998-2024 SeCoS Corporation. All rights reserved.